Samsung 77" S95F Review por AVmaniacos.com

Tema en 'Reviews y Unboxings de AVmaniacos.com' iniciado por abg360, 9/10/25.

  1. abg360

    abg360 Calibrador de Video Miembro del equipo

    Como mencionamos anteriormente desde 2024 Samsung ha diferenciado su línea 95 de la 90, situándola como la línea Flagship, con un panel de tecnología más avanzada con 5 stacks y en este caso ya no un OC y T-con como lo fue la S95D sino un rediseño y un panel con mayor capacidad de luminancia, según Samsung Visual Display capaz de alcanzar sin problemas los 4000 nits en ventanas de 2% de HDR. También el controversial, Glare Free 2.0 hace acto de presencia con una clara mejora en el nivel de negro en ambiente iluminado respecto al año anterior, pero recordemos todos los filtros antirreflejos de Samsung son una lámina de un material similar al hidrogel, ya que en bruto estos paneles no tienen recubrimiento alguno y son como espejos, esto ya comprobado por usuarios que han despegado de forma dificultosa y nada recomendable dicha lámina.

    Esta Tv por primera vez presenta el tamaño de 83" que emplea un RGB Tandem Panel de LG Display, ya que aún Samsung Display no planea introducir un QD-OLED en esas dimensiones por costos y rendimientos, el mismo presenta todas las características de los QD-OLED de 55", 65" y 77". Todos son paneles nativos de 10 bits y con tasa máxima de refresco de 165hz y cuentan con el One Connect Box.

    La unidad que nos toca revisar es la de 77" y vamos adelantando que si se puede modificar para alcanzar los prometidos 4000 nits al D65 en 2%.

    IMG-20251015-WA0001.jpg

    Diseño, Multimedia, Ángulos de Visión y Audio:

    El diseño de la tv viene siendo el mismo desde 2023 (Muy similar a lo que hace LG con su serie G) es Ultra Slim con sólo 1.1cm de grosor, en la parte frontal tenemos a la derecha el logo de Samsung el cual es removible quitando un tornillo, para que quede como un cuadro, la tv en la parte posterior sólo tiene el puerto USB Tipo C y el conector para el cable de fibra óptica (Largo o Corto) OCB, en la parte de abajo los speakers, todo ello en plástico y con un acabado elegante en color Titan Black.
    Recordemos que el tv está diseñado para verse mejor colgado en la pared con el Slim Fit Wall Mount que como hemos probado la versión 2021 es idéntica a las posteriores sólo que el manual cambia, así que recomendamos ese rack si lo quieren colgar a la pared.
    Tiene stand de metal con el cual hay un espacio para acoplar un soundbar si se usa en una mesa, al no ser muy largo es fácil de acomodar.
    IMG-20241210-WA0092.jpeg
    Cuenta con un procesador QuadCore de Mediatek y supervisado por Samsung llamado NQ4 AI Gen 3 con 128 AI Neural Networks y corre la versión 9.0 de Tizen renombrada a ONE UI Tizen, con el ECO One Remote Premium 2025 con el retoque de un mejor grip en la espalda y que le da carga por USB-C o el panel solar además nos permite manejar diversos dispositivos con un solo control lo cual nos da una practicidad fenomenal, ya que podemos manejar el Home Theater, el BD Player, el Deco y demás aparatos.

    Obviamente esto también se puede hacer con el aplicativo smartthings que la encuentran en Google Play y la App Store además de contar con la EZCalibration que permite usar el sensor de cámara del celular para intentar calibrar el balance de blanco de la tv, además recomendamos obviarla porque no ayuda en nada y hasta puede dar peores resultados.
    pe-oled-s95f-qn77s95fagxpe-548596330.jpg
    Cuenta con bluetooth 5.3, Screen Mirroring, MultiView para poder streamear por Wi-Fi la propia PC, DLNA, grabación de HDD Disco duro Externo, el Sintonizador de nuestra región ISDB-T/DVB-T/DVB-T2 para señal abierta en HD. Wireless DEX para dispositivos Galaxy.

    Cuenta con los 4 puertos HDMI 2.1 @40gbps que tiene las características de juego Compatible con FreeSync de AMD, G-Sync Compatible con Nvidia, VRR, eARC, ALLM y HFR. Además de 2 usb 2.0 y 1 USB Tipo C al costado de la conexión de fibra óptica del OCB del tv, pero este sólo sirve para acoplar una cámara.
    Captura de pantalla 2025-11-15 130615.png

    El media player del TV como siempre reproduce de TODO en cuanto a archivos que se le pueden poner, para más información visiten: 76.77" Samsung QN77S95F - Specifications

    Su ángulo de visión es de 180° tan igual que un Plasma sin presentar tintes ni cambios en la imagen.

    El audio del tv es pese al marketing promedio e incluso algo inferior al S90F a pesar de contar con 4 bocinas de 7.5w y otras 2 de 10w (2 de cada una por lado) y un subwoofer de 2x 10w, en 4.2.2 canales dándonos un total de 70w con soporte de Dolby Atmos, Bluetooth Audio, Dolby Decoder MS12 de 5.1 ch, Object Tracking Sound +, Q-Symphony Surround Sound.
    samsung-2025-oled-info-leaks-header.jpg

    Modos de Imagen, Resultados Pre-Calibración y Post Calibración:

    NOTA: En AVManíacos nos gusta la precisión en la imagen y para ello los tvs que pasan por el LAB son calibrados al estándar SDR Rec. 709 en 200/120 Nits día/noche respectivamente y seguimos el PQ EOTF de la SMPTE 2084 BT.2390 REC 2020/DCI P3 en HDR para realizar estas mediciones empleamos el software gratuito HCFR y contamos con Portrait Displays CALMAN además del colorímetro X-Rite i1 Display PRO HDR y el Calibrite Display Plus HL (CCDIS3PLHL). También se cuenta con el spectrofotómetro X-Rite i1 Publish Pro 2 para el perfilado. Utilizamos un generador de Patrones Pi PGenerator el cual es 8 bits/10 bits perfect en RGB Full, YCbCr 4:4:4 en video levels y YCbCr 4:4:2 10 bits con ColourSpace, a su vez empleamos los discos de calibración AVS709, GCD Gamut, Mascior, DVS HDR10/DolbyVision y yandex.

    https://sourceforge.net/projects/hcfr/
    Software - Portrait Displays
    ColourSpace | Info
    http://www.xrite.com/categories/calibration-profiling/i1-solutions
    Nuevos dispositivos de calibración del color - Calibrite - Spain
    Dedicated Raspberry Pi PGenerator Thread (Set-Up - Configuration - Updates & Special Features - General Usage Tips) | AVS Forum
    http://www.avsforum.com/forum/139-display-calibration/948496-avs-hd-709-blu-ray-mp4-calibration.html
    http://www.avsforum.com/forum/139-display-calibration/1406352-gcd-gamut-calibration-disk.html

    https://diversifiedvideosolutions.com/products.html

    El Samsung S95F viene con 5 modos de imagen: Dinámico / Normal / Eco / Película / Filmmaker Mode (Los cuales se repiten para HDR).

    Con el arribo de la interfaz ONE UI encontramos más orden, mayor agilidad para llevarnos a los últimos ajustes que realizamos, un sistema más fluido, pero lamentamos informar que a veces en este modelo hay una que otra ralentización esperemos que en las próximas updates optimicen la RAM y sea más fluido. Los controles son responsivos y con el nuevo atajo de "recientes" agiliza un poco más la calibración manual con el control remoto, todo esto se evita al usar DDC de CALMAN pero por wi-fi y no cable serial este también presenta cierto lag que CALMAN debería corregir en futuras updates.

    El OCB de Samsung esta vez no nos ha presentado problemas hasta ahora, recordemos que tuvimos que devolver la S95C/S95D por problemas con el mismo, esperamos que en un futuro Samsung deje de lado esta caja ya que presenta limitaciones como el bandwidth para el HDMI, que se estropee te deje sin tv, etc pero sabemos que Samsung se enfoca más en diseño que en funcionalidad en sus tv.

    20251119_020839_HDR.jpg
    *Este fw 1126, aún no incluye el fix de HDR Game Basic que es la implementación de HGiG, así que hemos tenido que solucionar estos problemas con ayuda, que comentare a lo largo del review. El fw 1131, lo soluciona, recomendamos actualizar apenas llegue a nuestra región.

    20251118_100312_HDR.jpg
    *Horas de uso antes de la calibración.

    SERVICE MENU DE FÁBRICA:
    20251118_100043_HDR.jpg

    Opciones de cambio de tipo de panel:
    20251118_100144_HDR.jpg

    20251118_100108_HDR.jpg
    Vemos el Game Mode 15.

    20251118_100227_HDR.jpg
    Estos parámetros Screen saver de fabrica controla el ASBL de fábrica es 7 en 0 lo desactiva. ISP Global Brightness, Slope y local Brightness tiene valores distintos a 0, en 0 apaga cualquier tipo de dimming de la tv.

    20251118_100652_HDR.jpg
    *Balance de Blancos de fábrica del panel.

    WBMOVIE SDR DE FABRICA
    20251118_100724_HDR.jpg


    PICTURE2D
    20251118_100808_HDR.jpg

    ENHANCE DE FABRICA SDR NO TOCAR
    20251118_100818_HDR.jpg

    GMA_N SDR NO TOCAR
    20251118_100910_HDR.jpg

    PQSOL SDR FABRICA
    20251118_100922_HDR.jpg

    EPA
    20251118_101850_HDR.jpg

    WBMOVIE HDR FABRICA:
    20251118_101920_HDR.jpg

    Picture2D ENHANCE HDR FABRICA
    20251118_102133_HDR.jpg

    COLORMAPPING FABRICA USANDO COLOR CUSTOM BT.2020 EN EL MENU ONE UI
    20251118_102215_HDR.jpg

    GMA_N FABRICA COLOR CUSTOM BT.2020 EN EL MENU ONE UI
    20251118_102249_HDR.jpg

    PQ SOL FABRICA
    20251118_102345_HDR.jpg

    Breve explicación sobre los gráficos de las fotos:

    Números en verde es bueno, amarillo es tolerable y rojo es malo.

    Primer gráfico es escala de grises, parte superior aparece contraste, el promedio de error y el error máximo.

    Segundo gráfico es color, aparece el promedio de error y el máximo.

    Tercer y cuarto gráfico es el pico de nivel de sombras/negro y el nivel máximo de luminancia.

    Quinto gráfico: saturación de rojo. Parte baja la curva de luminancia y a su derecha la gamma.

    Sexto gráfico: saturación de verde. Parte baja Balance de RGB, lo correcto es que los tres niveles se aplanen en uno solo y la gamma sea lo más plana posible.

    Séptimo gráfico: saturación de azul. Parte baja Nivel RGB más grande.

    Octavo gráfico: saturación de amarillo. Parte baja temperatura de color, lo ideal es 6500k y plano.

    Noveno gráfico: saturación de cian, Parte baja Diagrama Delta de color y saturación con puntos.

    Décimo gráfico: saturación de magenta. Saturación de luminancia.

    Undécimo gráfico: Color Checker comprobación de los colores y grafico de escala de gris RGB y Gamma EOTF.

    Duodécimo gráfico: CALMAN HDR Pre y Post CAL Calibraciones de HDR/Dolby Vision.

    SPECTRAL POWER DISTRIBUCIÓN:
    Captura de pantalla 2025-11-21 162206.png


    Para día utilizaremos el modo Película, con nuestro target de 200 nits y 2.2, mencionamos que ajustamos siempre el contraste para evitar clipping ya que por defecto viene en 45 y en estos tvs el ideal es 38.

    Captura de pantalla 2025-11-21 170933.png

    Captura de pantalla 2025-11-21 170947.png

    Captura de pantalla 2025-11-21 171005.png

    Captura de pantalla 2025-11-21 171011.png

    Captura de pantalla 2025-11-21 171029.png

    Captura de pantalla 2025-11-21 171042.png

    Captura de pantalla 2025-11-21 171053.png

    Captura de pantalla 2025-11-21 171102.png

    Captura de pantalla 2025-11-21 171112.png

    Captura de pantalla 2025-11-21 171130.png

    Captura de pantalla 2025-11-21 171251.png

    Captura de pantalla 2025-11-21 171408.png

    Captura de pantalla 2025-11-21 171421.png

    Captura de pantalla 2025-11-21 171436.png

    Captura de pantalla 2025-11-21 171445.png

    La S95F viene con una luminancia de 154 nits lo cual es un poco bajo para nuestro objetivo de 200 nits, la escala de gris viene muy bien con todo menor a 3 salvo el 100% de blanco, el balance RGB tiene una ligera falta de azul, pero la gamma fuera de caja es muy plana. lo cual son excelentes resultados fuera de caja, la temperatura de color se sitúa prácticamente en los 6000k, lo cual indica que es demasiado cálido, aun así el único error mayor a 3 en los color checker es el 3.2 del 100% blanco, los tonos de piel a lo mucho tiene un error de 2, lo cual lo hace una de las mejores unidades que hemos revisado fuera de la caja, casi al nivel de Panasonic. Obviamente todo esto se puede mejorar con la calibración:

    Captura de pantalla 2025-11-21 172737.png

    Captura de pantalla 2025-11-21 172756.png

    Captura de pantalla 2025-11-21 172813.png

    Captura de pantalla 2025-11-21 172819.png

    Captura de pantalla 2025-11-21 172835.png

    Captura de pantalla 2025-11-21 172844.png

    Captura de pantalla 2025-11-21 172852.png

    Captura de pantalla 2025-11-21 172859.png

    Captura de pantalla 2025-11-21 172907.png

    Captura de pantalla 2025-11-21 172918.png

    Captura de pantalla 2025-11-21 173025.png

    Captura de pantalla 2025-11-21 173038.png

    Captura de pantalla 2025-11-21 173053.png

    Captura de pantalla 2025-11-21 173104.png

    Captura de pantalla 2025-11-21 173115.png

    Que podemos decir de calibrar la S95F, es sin duda una REFERENCIA, la luminancia es 200 nits, la gamma, el balance RGB, la temperatura de color todo dentro de nuestro objetivo el único error mayor a 2 en los color checker es foliage a 2.19 en CIE2000, sin lugar a dudas esta Samsung impresiona por la precisión de su calidad de imagen, algo que nos tiene acostumbrados desde la 2GEN de QD-OLED. Lo más resaltante los tonos de piel todos menor a 2 y los Pantone menor inclusive a 1. Cumple sin problemas el Pantone Validated. El mayor error que encontramos es de 2.9 y 2.5 en el 20% y 30% de azul pero sin tocar absolutamente nada del CMS, simplemente dejándolo en auto o personal sin tocar.

    Ahora veamos como viene Filmmaker Mode fuera de caja apuntando a nuestro modo noche de 120 nits y gamma 2.4:

    Captura de pantalla 2025-11-21 174424.png

    Captura de pantalla 2025-11-21 174432.png

    Captura de pantalla 2025-11-21 174448.png

    Captura de pantalla 2025-11-21 174453.png

    Captura de pantalla 2025-11-21 174512.png

    Captura de pantalla 2025-11-21 174521.png

    Captura de pantalla 2025-11-21 174529.png

    Captura de pantalla 2025-11-21 174538.png

    Captura de pantalla 2025-11-21 174548.png

    Captura de pantalla 2025-11-21 174600.png

    Captura de pantalla 2025-11-21 174729.png

    Captura de pantalla 2025-11-21 174744.png

    Captura de pantalla 2025-11-21 174801.png

    Captura de pantalla 2025-11-21 174819.png

    Captura de pantalla 2025-11-21 174829.png

    Justo como lo medimos en el modo película, el cambiar bt.1886 de 2 a 0 nos das un calco de resultados en el Modo Filmmaker pero en 2.4 de gamma, la escala de gris solo tiene un error en el 100% de blanco de 3.2, la luminancia está en los 150 nits lo cual es elevado para ver en una habitación oscura, nos sigue faltando ligeramente el azul, el tv sigue viéndose muy cálido, igual pese a todo ello viene muy bien de fábrica esta unidad. Tras calibrar:

    Captura de pantalla 2025-11-21 175545.png

    Captura de pantalla 2025-11-21 175558.png

    Captura de pantalla 2025-11-21 175617.png

    Captura de pantalla 2025-11-21 175622.png

    Captura de pantalla 2025-11-21 175645.png

    Captura de pantalla 2025-11-21 175656.png

    Captura de pantalla 2025-11-21 175704.png

    Captura de pantalla 2025-11-21 175710.png

    Captura de pantalla 2025-11-21 175718.png

    Captura de pantalla 2025-11-21 175728.png

    Captura de pantalla 2025-11-21 180249.png

    Captura de pantalla 2025-11-21 180309.png

    Captura de pantalla 2025-11-21 180319.png

    Captura de pantalla 2025-11-21 180356.png

    Captura de pantalla 2025-11-21 180405.png

    Nuevamente encontramos REFERENCIALES los resultados para SDR, la luminancia nos quedó en 122 nits con una escala de gris con máximo de error de 0.46, el máximo error al 20% de azul es 2.6 justo como en el modo película pero recordemos que decidimos no tocar el CMS para nada, la gamma, la temperatura de color y el balance RGB esta lo más plano posible, los errores en Color Checker y tonos de piel todos con errores menores a 2 y foliage nuevamente quedó en 2.1, sin dudas de los mejores tv´s en SDR que hemos probado, muy típico de los OLED para ser honestos.

    Al medir la pantalla al 100% de blanco tenemos 3 medidas:

    Full Screen:
    Brillo Máximo APAGADO
    335
    nits. Con contraste 50 y clipping: 414 nits.
    Brillo Máximo MEDIO 373 nits. Con contraste 50 y clipping: 411 nits.
    Brillo Máximo ALTO 373 nits. Con contraste 50 y clipping: 410 nits.

    10% Windows:
    Brillo Máximo APAGADO 337
    nits. Con contraste 50 y clipping: 410 nits.
    Brillo Máximo MEDIO 639 nits. Con contraste 50 y clipping: 786 nits.
    Brillo Máximo ALTO 961 nits. Con contraste 50 y clipping: 1166 nits.

    HDR (High Dynamic Range)

    Sabemos que el HDR en calibración aún no tiene display capaces de llegar a los 10 000nits y Rec2020 100% y aún los formatos no están del todo definidos como HDR10, HDR10+, HLG o Dolby Vision. Esta tv NO tiene Dolby Vision pero si soporta HDR 10+.

    La 77" S95F tiene un pico de nits 2264 nits sin calibrar al D65 siguiendo el estándar de 10% HDR10, tras calibrar el tv llega a nits 2262 esto fluctúa dependiendo la medición por % de ventanas, así como el correcto seguimiento del EOTF como detallaremos con el software de CALMAN.

    Estos son los resultados de Filmmaker Mode HDR sin calibrar:
    Sin errores de luminancia:
    PRE SL.png

    Con errores de luminancia:
    PRE CL.png

    Se repite la falta de azul en esta unidad. Ahora veamos la escala de grises más al detalle junto a la EOTF:
    PRE GS.png

    PRE GS CC.png

    Ahora veamos el Color primero sin error de luminancia:
    COLOR PRE SL.png

    COLOR PRE CL.png

    Y ahora un análisis que no se ve en muchos reviews y que es importante en estos tv´s cuando se busca precisión de HDR, mediciones a diferentes estímulos:

    Estímulo 10%:
    PRE 10%.png

    Estímulo al 30%:
    PRE 30%.png

    Estímulo al 50%:
    PRE 50%.png
    Estímulo al 75%:
    PRE 75%.png

    Tras realizar corrección del balance de blanco y el seguimiento de la EOTF:
    20251118_204507_HDR.jpg

    Estos fueron los parámetros finales que se usaron en SM para el correcto tracking, HD_Sub Contrast y HM_Sub Contrast ambos se cambiaron de 144 y 142 respectivamente a 140. Aquí vamos a detallar porque el cambio, esto es debido a la separación RGB que se da al calibrar la tv, luego el HM Pat Peak w. lo pasamos de 200 a 210 para el tracking de FMM HDR, luego el HM Con Peak W. maneja el DTM (El cual no usamos y recomendamos ajustarlo de acuerdo al gusto), el HM Pat Peak w PLUS maneja el modo juego, en nuestra unidad para el correcto tracking del Game Mode HDR SIN BASIC ya que no hay en nuestro fw.1126 la opción de seguir la normativa HGiG lo pusimos temporalmente a 190, en cuanto llegue la update la recomendación es igualarlo siempre a 210. Esto servirá luego para no hacer muchas modificaciones cuando llevemos el panel al tope, es decir los más de 4000 nits, gracias a sd13 de avforums pudimos corroborar ya que él tiene la tv en el fw 1131, que ajustándolo en 210 el tv en Game HDR Basic con HGiG sigue la EOTF sin problemas con el mod de igualar FMM HDR a Game HDR.

    Veamos como quedó la tv:

    Sin errores de luminancia:
    POST SL.png

    Con errores de luminancia:
    POST CL.png

    Corregida ya la escala de grises:
    POST GS.png

    POST GS CC.png

    Ahora veamos el Color primero sin error de luminancia:
    COLOR POST SL.png

    Con luminancia:
    COLOR POST CL.png

    Estímulo 10%:
    POST 10%.png

    Estímulo al 30%:
    POST 30%.png

    Estímulo al 50%:
    POST 50%.png

    Estímulo al 75%:
    POST 75%.png

    La calibración de color también se hizo en el SM con los parámetros proporcionados por jk82 de AVSforum, con ello queremos darle las gracias ya que su trabajo nos ayudó a obtener mayor precisión que usar Normal y 20 o con lo comprometido que queda la cobertura de la gama al usar Custom y bt2020. También agradecemos a Vitaliy Vasilkov de AVSforum que junto con jk82 comenzaron a usar la gama nativa/normal de la tv con los parámetros de GMA_N, el cual compartimos a continuación:

    Captura de pantalla 2025-11-21 184842.png
    Además, debemos cambiar en Picture 2D ENHANCE M_Skin_UV y M Skin Sat de 128 a 129 para mejorar los tonos de piel.

    La cobertura de volumen de color es de 100% del DCI-P3 y 83.4% XY y 90% del uv REC.2020 quedando quizá solo por detrás de los proyectores de Christie Serie M 4K RGB. (Requieren cotización y son enormes, pero hablamos en precios de 100k US$) QD OLED y los proyectores de Christie Serie M 4K RGB. (Requieren cotización y son enormes, pero hablamos en precios de 100k US$) y todavía por verse de los nuevos RGB-MiniLED que aún no se encuentran a la venta.

    Resumen de comparativa del antes y el después:


    COMP 1 REL SL.png

    COMP 2 ABS CL.png

    COMP 3.png

    Este es un análisis especial del HDR en diferentes tipos de ventanas y como afecta al tracking EOTF y la escala de grises:

    Ventanas 2 HDR%:
    2%.png

    Ventanas 5 HDR%:

    5%.png

    Ventanas 10 HDR%:

    10%.png

    Ventanas 25 HDR%:

    25%.png

    Ventanas 50 HDR%:

    50%.png

    Ventanas 75 HDR%:

    75%.png

    Pantalla Completa HDR:

    100%.png

    Luminancia en HDR por ventanas:

    2% 2288 nits.
    5% 2288 nits.
    10% 2262 nits.
    25% 1138 nits.
    50% 640 nits.
    75% 471 nits.
    100% 398 nits.

    MOD MODO GAME HDR BASIC MISMOS SETTINGS FMM HDR:

    20251118_102133_HDR.jpg

    Para igualar la precisión de color del modo juego en HDR, se debe seleccionar primero el modo HGiG, activándolo en Game Basic HDR. Ello tras actualizar el fw a 1131.

    Debemos cambiar los siguientes valores:
    D_Skin_UV 132 a 129.
    D_Sub color 133 a 128.
    D_base color 55 a 59.
    D_Skin_Sat 132 to 129.

    Es decir, todos los valores de D igualarlos a M. Para aplicar cualquier cambio en el Service Menu se tiene que reiniciar la tv.
    La ST 2084 para el modo juego se debe cambiar de 0 a -2.

    El seguimiento correcto de la EOTF lo sigue la setting en WBMovie HM Pat Peak w. PLUS que si están en la versión 1126 deben usar 190 ya que no hay HGiG y si actualizaron a 1131 pues deben igualarla a 210.
    También si están en la versión 1126 el Contraste se debe reducir a 40 mientras que si se actualizó debe usarse 49.

    Game SL.png

    Game CL.png


    SAMSUNG S95F MOD A 4000+ nits en ventanas a 2%:

    En esta modificación el WBMovie ya no lo tocamos más ya que se debe usar 210 para HM Pat Peak w y el PLUS y 140 para HM y HD Sub Contrast.
    Lo que si debemos cambiar es OM_HDR de 563 a 1023 y en EPA el Ana Peak 1 a 1023.

    Los resultados sin corregir la EOTF son los siguientes:


    PRE MOD.png

    Tras calibrar y aplicar correcciones:

    FILMMAKER MODE HDR

    MOD SL.png

    MOD CL.png

    GAME MODE HDR BASIC HGiG MOD + MOD COLOR IGUAL A FMM HDR

    GAME MOD SL.png

    GAME MOD CL.png

    Este es un análisis especial del HDR en diferentes tipos de ventanas y como afecta al tracking EOTF y la escala de grises y como afecta el MOD:

    Ventanas 2 HDR%:
    2% MOD.png
    Ventanas 5 HDR%:
    5% MOD.png
    Ventanas 10 HDR%:
    10% MOD.png
    Ventanas 25 HDR%:
    25% MOD.png
    Ventanas 50 HDR%:
    50% MOD.png
    Ventanas 75 HDR%:
    75% MOD.png
    Pantalla Completa HDR:

    100% MOD.png

    Luminancia en HDR por ventanas sólo FMM HDR Mod:

    2% 4175 nits.
    5% 3464 nits.
    10% 2275 nits.
    25% 1138 nits.
    50% 638 nits.
    75% 471 nits.
    100% 398 nits.

    Al realizar el mod y compararlo con resultados stock, analizamos que:

    Reducción de nits en ventanas al 10% en el 85% perdemos 350 nits.

    Reducción de nits en ventanas al 25% en el 70% se pierde 17 nits, al 75% 167 nits, al 80% 135 nits y al 85% 11 nits.

    Reducción de nits en ventanas al 50% al 65% 37 nits, al 70% se pierde 70 nits, al 75% se pierde 74 nits, al 80% 59 nits y al 85% 45 nits.

    Reducción de nits en ventanas al 75% al 60% se pierden 17 nits, al 65% se pierden 43 nits, al 70% se pierden 50 nits, al 75% se pierden 36 nits, al 80% se pierden 40 nits.

    Reducción de nits en Pantalla Completa: al 60% se pierden 41 nits, al 65% se pierden 34 nits, al 70% se pierden 33 nits, al 75% se pierden 23 nits, al 80% se pierden 39 nits, al 85% se pierden 66 nits y al 90% se pierden unos 18 nits.

    Es de destacar que nunca se pierden más de 100 nits del 50% en adelante, se ganan en el medio algunos nits, mientras que en el 10% en 85% y el 25% de la pantalla es donde mayor luminancia se pierde. Ya dependerá del usuario si es conveniente aplicarlo o no, todo ello con el correcto seguimiento de la EOTF hasta donde dan los controles.

    Movimiento, Uniformidad y Conclusiones:

    La S95F presenta un buen motion corrigiendo lo de sus antecesores modelos de 2023/2024 los cuales mostraban una cadencia incorrecta al tratar de hacer 5:5 pulldown. Aún presenta skip frames y caídas, pero son menos apreciables que los años anteriores y vamos a tener que ver ejemplos muy puntuales para notarlo, esperemos durante el periodo de updates esto se mejore, y esperemos con updates llegue a corregirse del todo de ser posible.
    Respecto a la presencia de Black Frame Insertion tenemos hasta 60hz lo cual a la mayoría de las personas les genera un flicker notorio y molesto. Además que reduce la luminancia del panel a casi la mitad. El Sample and Hold del tv se emplea a 120hz lo cual produce alrededor de 600 líneas en el FPD Benchmark.

    La uniformidad de nuestra unidad es buena, tiene una banda al lado derecho con ciertas líneas hacia el medio, si la comparamos con la S90F que revisamos esta es ligeramente mejor, no llega a la uniformidad que una vez revisamos a la S95B y la S95C, no hay blooming, clouding, haloing, smearing ni problemas de local dimming, el ASBL en esta tv es algo intrusivo si se usa de monitor, lo bueno es que se puede apagar en el Service Menu. Tampoco notamos problemas en las gradaciones ni mucho menos Chrominance Overshoot.
    Algo sumamente destacable es como la saturación de la tv en escenas como la de la playa en Casa del Dragón Temporada 1 episodio 7 DRIFTMARK se ve impecable en esta Samsung, comparándola a la presentación de la Bravia 8 MKII, mientras que la Bravia nos hace recordar más a la GEN2 que a la GEN4 de QD-OLED.

    En SDR la tv no presenta tinte alguno, los colores y tonos de piel son los mejores que hemos visto en Samsung hasta la fecha, el detalle en sombras está muy bien logrado, el escalado no tiene fallas, quizá no esté al nivel del Sony y su XR processor pero no me quejaría del mismo.

    Es en HDR donde la tv muestra el mejor manejo de gradaciones que hemos visto en Samsung, sin problema alguno de posterización, incluso incluye como ya vimos en el S90F un filtro de reducción de ruido, pero lamentablemente si bien hace de forma excelente su tarea al no tener una opción a parte esta resta detalle, por ello decidimos dejarlo en OFF. 400 nits a pantalla completa es algo que realmente en un OLED sorprende y le da un contraste bastante superior a tv's de 250-350 nits como los competidores Sony y LG ofrecen, la imagen alcanza un efecto de profundidad muy marcado y eso que Samsung no afina demasiado el procesador de imagen, obviamente tras modificarlo esto es mucho más marcado aún, colocándola como la TV que mejor impacto HDR hasta la fecha hemos revisado, el problema más bien es el poco contenido masterizado a 4000 nits que hay, pero tomaremos esto como una tv que a futuro no se quedará corta.

    Gracias a usar el Service Menu, el apoyo de miembros notables con mucho conocimiento como jk82, Vitaliy Vasilkov de AVSForum y sd13 de AVForums logramos no sólo verificar sus aportes y validarlos sino llevar al tv a un mejor nivel que con los controles tradicionales quedan algo lejos de estos resultados, obviamente la mayoría de reviewers no optarían por corregir estos defectos de Samsung entrando al Service Menu, pero aquí en este foro, buscamos hasta lo último de performance en estas televisiones y no nos patrocina nadie (Tampoco buscamos que nos patrocinen) y ello implica dar el mejor resultado posible.

    La tv tiene opción de autocal de CALMAN pero no lo puedo recomendar ya que con lo limitado que son los controles fuera del Service Menu probablemente los resultados no sean los deseados, recomendaría a usuarios en otros países que, si van a contratar un servicio de calibración, el calibrador tenga "experiencia y conocimiento" en Samsung QD-OLED porque no es sencillo y no cualquiera saca el máximo de estos paneles.

    Comparativa vs S95D:
    La diferencia es muy obvia por capacidades distintas de panel, la S95F es un paso adelante en procesado de imagen, en luminancia, en impacto HDR pero debemos tener en cuenta que para SDR son prácticamente lo mismo, y la 2024 viene mucho mejor fuera de caja en HDR, además los colores son simplemente más precisos en la S95D si no se calibra, Samsung dio un paso atrás con su CMS este año. Incluso modificando a 3000 nits la S95D tampoco llega a competir con la S95F.

    Comparativa vs S90F:

    La S90F es una repetición de la S90C/S90D así que poco puede hacer si ni siquiera la S95D puede hacerle frente al modelo 2025, obviamente ni modificando estos tv´s podrían darle pelea.

    Comparativa vs Bravia 8 MKII XR80:

    Las 2 mejores tvs del año, te puede gustar más una que la otra, pero Samsung aprovecha el panel de mejor forma, los picos de luminancia en SDR dan mayor margen además de poder apagar el ASBL en el Service Menu, la Bravia equipa mejor sonido y más confiables HDMI que el One Connect box, además la Samsung en HDR es superior en tonos de piel y sombras, pero la Sony en color y procesado de imagen se recupera.
    Ahora si modificamos la S95F ya es otro cantar, definitivamente en SDR y HDR hará ver a la Sony como una completa generación anterior respecto a la S95F.

    La S95F es una TV con una capacidad lumínica no vista en OLED, sobre todo cuando se realiza el MOD a 4175 nits pero lamentablemente hay poco contenido masterizado a ese nivel, ni la industria cinematográfica ni la de videojuegos sabe que hacer con el HDR actualmente, la tv para monitor tiene el típico ya en QD-OLED problema de no ser tan nítida como las WOLED, por su propia estructura triangular de RGB.

    El modo juego para los Gamers se debe calibrar, en SDR recomendamos usar el modo original y en HDR en nuestro caso usar Game Basic y NORMAL, para los que ya tienen la update Game Basic HDR Activado y bueno hacer el mod de FMM@GM HDR. Es una lástima que la update sea escalonada y al azar y no llegue a todos los tv´s al mismo tiempo, felizmente contamos con el apoyo de sd13 para poder validar nuestra calibración HDR de Game Mode Basic.
    Como se podía esperar las imágenes en juegos sin el mod ya eran muy sorprendentes, al aplicarlo y usando reshade en ciertos juegos de PC la experiencia creo a día de hoy no tendría rival.

    La ventaja de Samsung en Gaming es que no sólo tiene un input lag muy bajo, sino que permite aplicar interpolación con GMP que sería util para juegos de consolas que van a 30fps, ahora si oficialmente es compatible con AMD Free Sync Premium y Nvidia G-Sync. Sólo hemos tenido un pantallazo negro con este OCB que con DSC permite al panel llegar a 165hz, pero hemos notado que crea un efecto de banding en la tv usándolo con la PC. No tenemos problemas para ser sinceros en reducir el refresco a 120hz, pero esto es discutible ciertos gamer dicen apreciar notablemente el salto de 120hz a 165hz.
    Indicar que la tv no soporta 144hz.


    Sin dudas estamos ante uno de los mejores valores calidad/precio del año y también en el apartado para gaming, el input lag lo tomamos cortesía de RTINGS y sería de 10.1ms SDR y HDR en modo juego y con GMP sería de 23ms y cuando pasamos 1080/1440p/4k a 120hz es 5.3ms. Fuera del modo Juego el input lag sube a 84ms.

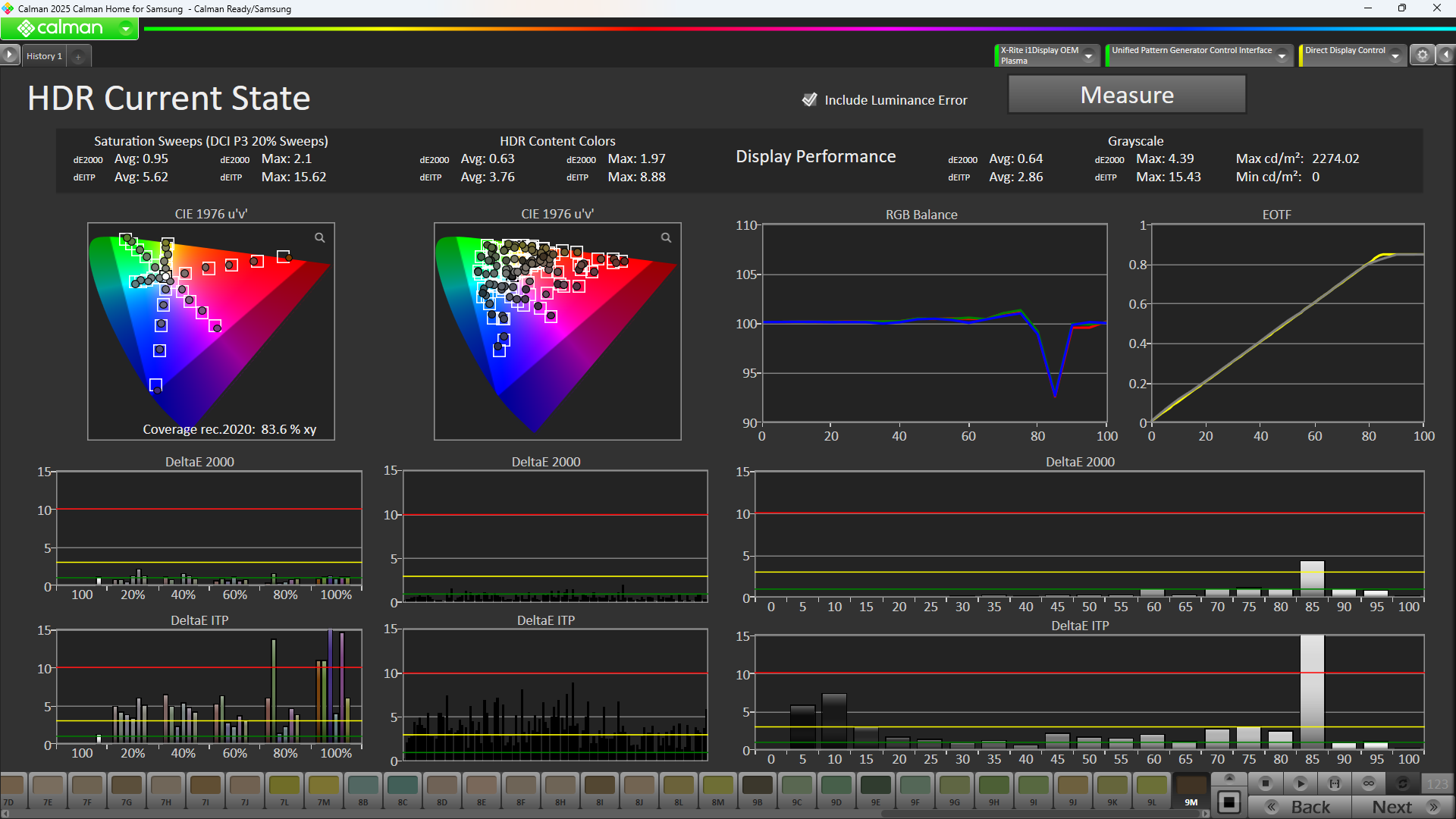
    Captura de pantalla 2025-11-21 204141.png

    El S95F es Nivel de Referencia en SDR y es la MEJOR TV HDR que hemos probado, además la consideramos la MEJOR TV PARA GAMING y por el tipo de tecnología que Samsung maneja en esta pantalla creemos que el precio lo vale muy bien.

    Captura de pantalla 2025-11-21 204836.png

    Captura de pantalla 2025-11-21 204754.png
     
    A ppdrako y Jordan les gusta esto.
  2. abg360

    abg360 Calibrador de Video Miembro del equipo

    Review finalizado, este si fue uno muy largo pero entretenido de elaborar la tv es realmente un cañon de luz, ni que decirlo tras modificarlo, debemos resaltar que el tv se llevó al máximo con controles que sin usar SM no se podría alcanzar, si restamos esto es probablemente que el título de TV del año se lo dispute con la Sony que aún no revisamos, pero vemos muchas tvs al año, por precio y tamaños yo creo que el título es merecido, cada vez queremos tvs más grandes gracias a los competidores chinos, nosotros rechazamos probar la G5 por sus errores continuos y los cambios con cada firmware, igual probablemente tengamos el panel de LG Display pero en la S95F de 83", ya que aquí la G5 de 83" brilló por su ausencia.

    Esta vez la sección de parámetros y recomendaciones se dividirá en 2 STOCK y MOD (No afecta SDR), debemos como siempre recordar que cada panel es distinto y sólo recomendamos aplicar todo menos Balance de Blancos de 2, 10, 20 y 22 puntos y ajustes de CMS de Color, siempre será mejor contratar nuestro servicio de calibración:

    Settings del TV de la revisión para SDR:

    SAMSUNG 77 S95F PELICULA CALIBRADO
    BRILLO 25
    CONTRASTE 38
    NITIDEZ 0
    COLOR 25
    MATIZ (V/R) 0
    REMASTER AUTO HDR OFF
    BRILLO MAXIMO OFF
    MEJORADOR DE CONTRASTE OFF
    DETALLE EN SOMBRA 0
    GAMMA BT.1886 2
    CMS PERSONAL 0
    COLOR BOOSTER PRO OFF
    TONO DE COLOR CALIDO 2
    BALANCE DE BLANCOS
    2 PTS -2 0 7 -2 -2 -2
    20 PUNTOS
    05% -1 -6 -6
    10% 19 18 8
    15% 8 11 14
    20% 4 9 4
    25% 8 8 3
    30% 3 3 2
    35% 0 3 2
    40% -1 -1 -4
    45% -2 0 -6
    50% -4 -4 -7
    55% -2 0 -6
    60% -3 -1 -8
    65% -2 0 -7
    70% -1 1 -6
    75% -2 0 -6
    80% -1 2 -5
    85% 0 1 -5
    90% 0 1 -3
    95% -1 0 -2
    100% 0 0 -1

    SAMSUNG 77 S95F FILMMAKER MODE CALIBRADO

    BRILLO 12
    CONTRASTE 38
    NITIDEZ 0
    COLOR 25
    MATIZ (V/R) 0
    REMASTER AUTO HDR OFF
    BRILLO MAXIMO OFF
    MEJORADOR DE CONTRASTE OFF
    DETALLE EN SOMBRA 0
    GAMMA BT.1886 0
    CMS PERSONAL 0
    COLOR BOOSTER PRO OFF
    TONO DE COLOR CALIDO 2
    BALANCE DE BLANCOS
    2 PTS -3 0 4 0 0 0
    20 PUNTOS
    05% -35 -32 -37
    10% -2 -7 -2
    15% 11 13 7
    20% 1 1 10
    25% 5 5 6
    30% 3 3 3
    35% 3 2 4
    40% 0 -1 4
    45% -2 -2 3
    50% -4 -3 0
    55% -3 -4 -1
    60% -4 -4 -2
    65% -4 -6 -3
    70% -3 -2 -2
    75% -4 -4 -3
    80% -2 -2 -1
    85% -2 -2 -2
    90% -1 -1 -1
    95% -1 -1 0
    100% -1 0 0

    SAMSUNG 77 S95F FILMMAKER MODE HDR CALIBRADO

    BRILLO 50
    CONTRASTE 49
    NITIDEZ 0
    COLOR 20
    MATIZ (V/R) 0
    TRAZADO DE TONOS DE HDR ESTATICO
    BRILLO MAXIMO ALTO
    MEJORADOR DE CONTRASTE OFF
    DETALLE EN SOMBRA -2
    GAMMA ST.2084 0
    CMS NORMAL
    COLOR BOOSTER PRO OFF
    TONO DE COLOR CALIDO 2
    BALANCE DE BLANCOS
    2 PTS -2 0 4 2 2 2

    SERVICE MENU
    WBMOVIE
    HD_Sub Contrast 140
    HM_Sub Contrast 140
    Peak w. 100
    HM Pat Peak w. 210
    HM Con Peak w. 190
    HM Pat Peak w. 190 (FW 1311 USAR 210).

    PICTURE 2D:
    ENHANCE
    D_Skin_UV 132 a 129.
    D_Sub color 133 a 128.
    D_base color 55 a 59.
    D_Skin_Sat 132 to 129.

    M_Skin_UV y M Skin Sat de 128 a 129 para mejorar los tonos de piel.

    GMA_N
    Captura de pantalla 2025-11-21 184842.png
    PQSOL 4G Dither Gamma 1 a 3


    SAMSUNG 55 S90F GAME HDR BASICO CALIBRADO
    BRILLO 50
    CONTRASTE 40 (fw.1131 49)
    NITIDEZ 0
    COLOR 20
    MATIZ (V/R) 0
    TRAZADO DE TONOS DE HDR ESTATICO
    BRILLO MAXIMO ALTO
    MEJORADOR DE CONTRASTE OFF
    DETALLE EN SOMBRA -2
    GAMMA ST.2084 -2
    CMS NORMAL
    COLOR BOOSTER PRO OFF
    TONO DE COLOR CALIDO 2
    BALANCE DE BLANCOS
    2 PTS -2 0 4 2 2 2

    AHORA con el MOD a 4000+ nits no tocar nada del SM:

    SAMSUNG 77 S95F FILMMAKER HDR CALIBRADO MOD
    BRILLO 50
    CONTRASTE 42
    NITIDEZ 0
    COLOR 20
    MATIZ (V/R) 0
    TRAZADO DE TONOS DE HDR ESTATICO
    BRILLO MAXIMO ALTO
    MEJORADOR DE CONTRASTE OFF
    DETALLE EN SOMBRA -5
    GAMMA ST.2084 -1
    CMS NORMAL
    COLOR BOOSTER PRO OFF
    TONO DE COLOR CALIDO 2
    BALANCE DE BLANCOS
    2 PTS -2 0 4 2 2 2

    SAMSUNG 55 S90F GAME HDR BASICO CALIBRADO MOD
    BRILLO 50
    CONTRASTE 40 (fw.1131 41)
    NITIDEZ 0
    COLOR 20
    MATIZ (V/R) 0
    TRAZADO DE TONOS DE HDR ESTATICO
    BRILLO MAXIMO ALTO
    MEJORADOR DE CONTRASTE OFF
    DETALLE EN SOMBRA -4
    GAMMA ST.2084 -2
    CMS NORMAL
    COLOR BOOSTER PRO OFF
    TONO DE COLOR CALIDO 2
    BALANCE DE BLANCOS
    2 PTS -2 0 4 2 2 2
     
    A ppdrako le gusta esto.

Compartir esta página